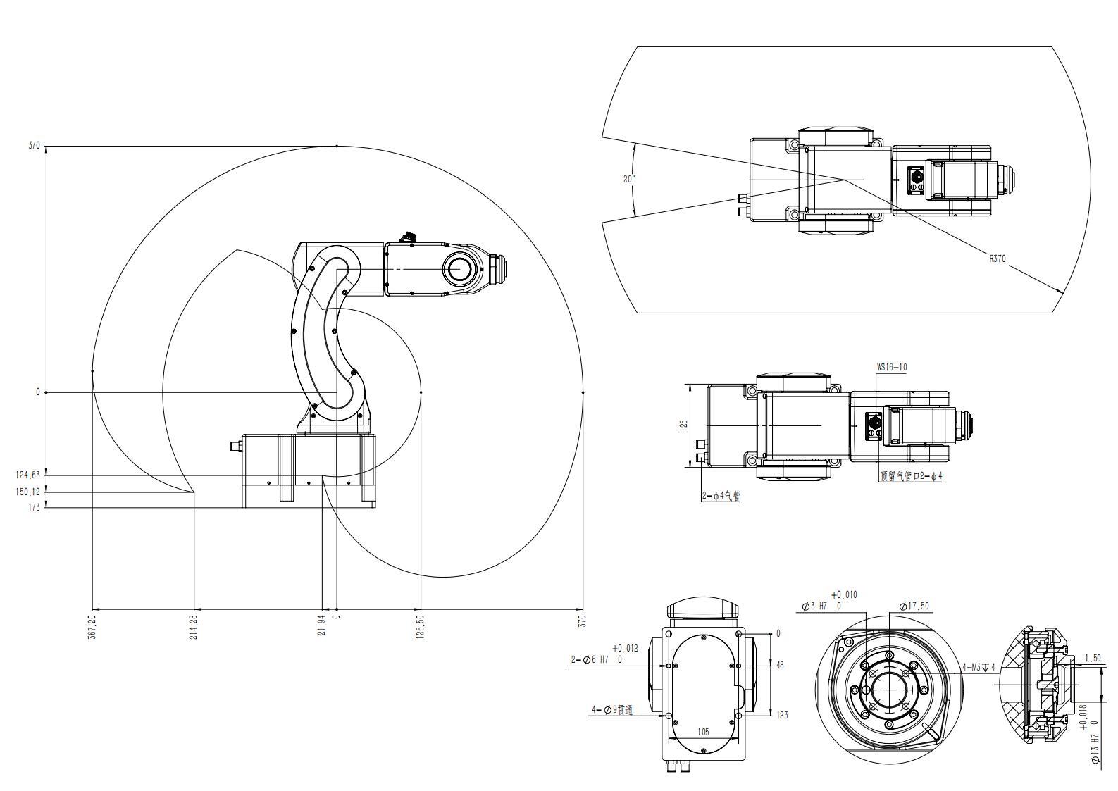
型號:TR01-370B(原TKB1010) 負載:1kg 臂長:370mm

參數表
| TR01-370B | |||
| 額定負載 | 1kg | ||
| 臂長 | 370mm | ||
| 重復定位精度 | ±0.01mm | ||
| 防護等級 | IP54 | ||
| 結構形式 | 垂直多關節串聯結構 | ||
| 軸數 | 6 | ||
| 最大速度 | J1 | 320°/s | |
| J2 | 320°/s | ||
| J3 | 375°/s | ||
| J4 | 500°/s | ||
| J5 | 470°/s | ||
| J6 | 500°/s | ||
| 最大動作范圍 | J1 | ±170° | |
| J2 | -80°~120° | ||
| J3 | -180°~50° | ||
| J4 | ±170° | ||
| J5 | ±125° | ||
| J6 | ±360° | ||
| 腕部允許扭矩 | J4 | 3.33Nm |
|
| J5 | 3.33Nm | ||
| J6 | 0.98Nm | ||
| 腕部允許最大慣量 | J4 | 0.058kgm2 | |
| J5 | 0.058kgm2 | ||
| J6 | 0.005kgm2 | ||
| 額定功率 | 0.4kw | ||
| 用戶配線 | RVV10*0.08 | ||
| 用戶配管 | 2*Φ4mm | ||
| 用戶配電 | 單相AC220V-10%~+10% | ||
| 適用環境 | 運行環境溫度 | 0~45°C | |
| 環境濕度 | 10%~80%RH | ||
| 最大溫度梯度 | 1.5°C/min | ||
| 本體重量 | 15kg |
||
| 適用控制柜 | TRC4-A03 | ||
| 安裝方式 | 落地 |
||
參數圖

